كتلة طرفية ذات رأس دبوس بزاوية قائمة مزدوجة الطبقات بمسافة 3.5 مم مع حواف جانبية (أذنين)
موصل سلك مزدوج الطبقات بزاوية قائمة. المسافة بين الأسلاك: 3.5 مم. يتميز بأذني تثبيت مدمجتين على كلا الجانبين لتثبيت آمن على لوحة الدوائر المطبوعة.
رقم الصنف :
H15EDGRHM-3.5دفع :
T/Tأصل المنتج :
Chinaلون :
green ,we can also make other color if meet moqH15EDGRHM-3.5 كتل طرفية مزدوجة الصفوف مع برغي جانبي
هذا موصل طرفي مزدوج الطبقات صغير الحجم وموفر للمساحة، مصمم لتوصيلات موثوقة بين الأسلاك واللوحة. يتميز بمسافة بين الدبابيس تبلغ 3.5 مم وانحناء بزاوية قائمة 90 درجة، مما يسمح بتركيبه بشكل متوازٍ ومنخفض الارتفاع على لوحة الدوائر المطبوعة. يُضاعف التصميم الفريد ذو الطبقتين كثافة الأسلاك مع تقليل استهلاك مساحة اللوحة. توفر حواف التثبيت المدمجة على كلا الطرفين تثبيتًا ميكانيكيًا معززًا، مما يضمن مقاومة عالية للاهتزازات ولحامًا مستقرًا.
1. النوع والقطب
النوع: كتلة طرفية مزدوجة الصف
القطب:
| كتلة طرفية ثنائية الدبابيس | كتلة طرفية ثلاثية الأطراف | كتلة طرفية رباعية الأطراف | كتلة طرفية بخمسة دبابيس | كتلة طرفية بستة دبابيس | كتلة طرفية ذات 7 دبابيس |
| كتلة طرفية ذات 8 دبابيس | كتلة طرفية ذات 9 دبابيس | كتلة طرفية ذات 10 دبابيس | كتلة طرفية ذات 11 سنًا | كتلة طرفية ذات 12 سنًا | كتلة طرفية ذات 13 سنًا |
| كتلة طرفية ذات 14 سنًا | كتلة طرفية ذات 15 سنًا | كتلة طرفية ذات 16 سنًا | كتلة طرفية ذات 17 سنًا | كتلة طرفية ذات 18 سنًا | كتلة طرفية ذات 19 سنًا |
| كتلة طرفية ذات 20 سنًا | كتلة طرفية ذات 21 سنًا | كتلة طرفية ذات 22 سنًا | كتلة طرفية ذات 23 سنًا | كتلة طرفية ذات 24 سنًا |
2. الموادلكتلة طرفية قابلة للتوصيل
| السكن | PA66، UL94V-0 |
| رأس الدبوس | سبيكة نحاسية، مطلية بالقصدير |
3. الكهرباءلكتلة طرفية قابلة للتوصيل
| الجهد المقنن | UL IEC 300 فولت 250 فولت |
| التيار المقنن | 8A 7A |
| مقاومة التلامس | 20 ملي أوم (كحد أقصى) |
| مقاومة العزل | 500 ميجا أوم/500 فولت تيار مستمر |
| تحمل الجهد | تيار متردد 1500 فولت/دقيقة واحدة |
4. ميكانيكيلكتلة طرفية قابلة للتوصيل
| نطاق درجة الحرارة | -40 درجة مئوية ~ +105 درجة مئوية |
| أقصى لحام | +250، لمدة 5 ثوانٍ. |
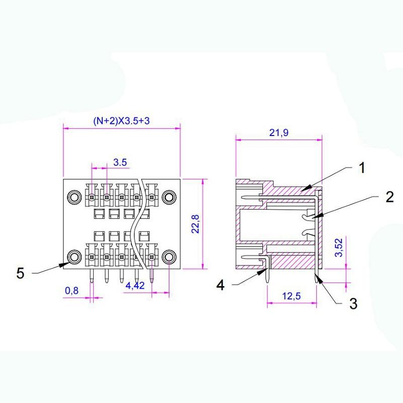
5. الأبعاد

6. المزايا
☑ يتكيف مع أنواع متعددة من المقابس، تصميم الجهاز مرن للغاية
☑ يمكن تلبية متطلبات إدخال البيانات
☑ طريقة تركيب عالمية، مناسبة لمختلف الحالات
الميزات الرئيسية
تصميم مزدوج الطبقات (ثنائي المستوى): صفان مستقلان من الأسلاك في غلاف واحد، مما يزيد من كفاءة استخدام مساحة لوحة الدوائر المطبوعة.
3.5 مم المسافة بين الأطراف: مسافة قياسية دقيقة، مناسبة للأجهزة الإلكترونية الصغيرة.
اتجاه الدبوس بزاوية قائمة (90 درجة): مثالي لتصميمات العلب منخفضة الارتفاع والوصلات المثبتة على الحافة.
أقواس تثبيت مزدوجة الجوانب: حواف مثقوبة مسبقًا على كلا الجانبين لتثبيت البراغي، مما يعزز تثبيت لوحة الدوائر المطبوعة ضد قوى السحب والصدمات الميكانيكية.
مقاومة درجات الحرارة العالية: متوافق مع عمليات اللحام بالتدفق الخالي من الرصاص (يتحمل عادةً 260 درجة مئوية).
الاستقطاب الواضح: يضمن تصميم منع الاستقطاب الخاطئ إدخال الموصل بشكل صحيح.
7. التطبيقلكتلة طرفية قابلة للتوصيل
1. وحدة تحكم الحركة 2. عداد طاقة ثلاثي الأطوار 3. جهاز حماية الحاسوب الصغير 4. المعدات الكهربائية
5. معدات التشغيل الآلي 6. معدات الأمن 7. معدات إنترنت الأشياء
8. العبوةلكتلة طرفية قابلة للتوصيل
نختار مواد تغليف عالية الجودة وآمنة لضمان عدم تلف طلبك أثناء التوصيل.
هذه الشروط التجارية مقبولة: EXW، FOB، CFR، CIF.
