كتلة طرفية للوحة الدوائر المطبوعة (PCB) ذات صف واحد من المسامير المستقيمة بقطر 2.5 مم هي موصل إلكتروني شائع الاستخدام. ميزتها الأساسية هي ترتيب المسامير في صف واحد من الخطوط المستقيمة، والمسافة بين مراكز المسامير المتجاورة 2.5 مم، وتكون المسامير مستقيمة وعمودية على لوحة الدوائر. تُستخدم بشكل رئيسي لتحقيق توصيلات كهربائية موثوقة بين الأسلاك ولوحات الدوائر على لوحات الدوائر.
رقم الصنف :
H2EDGV-2.5دفع :
T/Tأصل المنتج :
Chinaلون :
green ,we can also make other color if meet moqكتلة طرفية لرأس الدبوس مستقيمة
كتلة طرفية PCB ذات دبوس مستقيم صف واحد مقاس 2.5 مم هي موصل اللوحة إلى السلك الأكثر أساسية وعالمية، وتتمثل وظيفتها الأساسية في العمل كجسر كهربائي موثوق وقابل للفصل بين الأسلاك الخارجية ولوحات الدوائر المطبوعة (PCBs).
تُعدّ كتلة طرفية للوحة الدوائر المطبوعة (PCB) ذات صف واحد من المسامير المستقيمة بقطر 2.5 مم "الأساس" لمهندسي الإلكترونيات. عندما يتطلب تصميمك إنشاء قناة توصيل قياسية واقتصادية وموثوقة بين لوحة الدوائر المطبوعة والأسلاك الخارجية، فعادةً ما تكون هذه الكتلة هي الخيار الأكثر مباشرة وخالية من الأخطاء. عند الاختيار، ركّز على العناصر الأساسية الثلاثة: التيار، وطريقة التوصيل، ومقياس السلك.
1. النوع والقطب
الميزات الأساسية
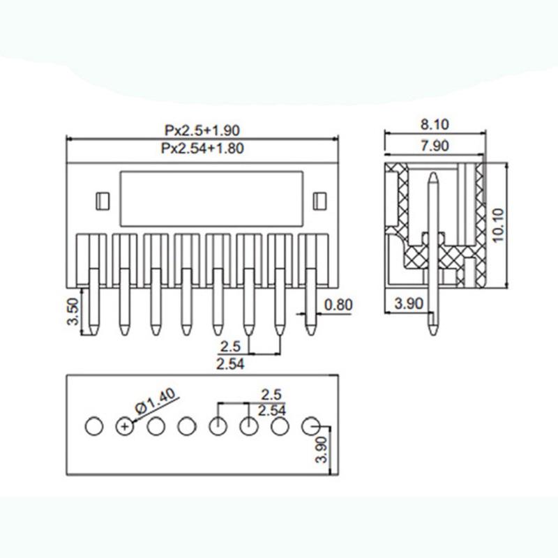
وصف أبعاد الميزة
يتم ترتيب الدبابيس في خط مستقيم واحد، مع بنية بسيطة.
تمت تثبيت المسافة بين الدبابيس عند 2.5 ملم، وهي مسافة صناعية قياسية.
شكل الدبوس هو دبوس مستقيم، يتم تثبيته بشكل عمودي على لوحة PCB، ويشغل مساحة فوق اللوحة.
طريقة التثبيت: لحام من خلال الفتحة، يتم لحام الدبابيس بعد المرور عبر لوحة PCB، مع قوة ميكانيكية عالية.
النوع: كتلة طرفية لولبية قابلة للتوصيل بلوحة الدوائر المطبوعة
القطب:
| كتلة طرفية ذات دبوسين | كتلة طرفية ثلاثية الدبابيس | كتلة طرفية ذات 4 دبابيس | كتلة طرفية ذات 5 دبابيس | كتلة طرفية ذات 6 دبابيس | كتلة طرفية ذات 7 دبابيس |
| كتلة طرفية ذات 8 دبابيس | كتلة طرفية ذات 9 دبابيس | كتلة طرفية ذات 10 دبابيس | كتلة طرفية ذات 11 سنًا | كتلة طرفية ذات 12 سنًا | كتلة طرفية ذات 13 سنًا |
| كتلة طرفية ذات 14 سنًا | كتلة طرفية ذات 15 سنًا | كتلة طرفية ذات 16 سنًا | كتلة طرفية ذات 17 سنًا | كتلة طرفية ذات 18 سنًا | كتلة طرفية ذات 19 سنًا |
| كتلة طرفية ذات 20 سنًا | كتلة طرفية ذات 21 سنًا | كتلة طرفية ذات 22 سنًا | كتلة طرفية ذات 23 سنًا | كتلة طرفية ذات 24 سنًا |
2. الموادلكتلة طرفية قابلة للتوصيل
| السكن | PA66، UL94V-0 |
| رأس الدبوس | سبائك النحاس، مطلية بالقصدير |
3.الكهربائيةلكتلة طرفية قابلة للتوصيل
| الجهد المقدر | UL IEC 150 فولت 130 فولت |
| التيار المقدر | 5 أمبير 10 أمبير |
| مقاومة التلامس | 20 م أوم (الحد الأقصى) |
| مقاومة العزل | 500 ميجا أوم/تيار مستمر 500 فولت |
| تحمل الجهد | تيار متردد 1250 فولت/1 دقيقة |
4. ميكانيكيةلكتلة طرفية قابلة للتوصيل
| نطاق درجة الحرارة | -40 درجة مئوية ~ +105 درجة مئوية |
| لحام ماكس | +250 لمدة 5 ثواني. |
5.الأبعاد

6. المزايا
سيناريوهات التطبيق النموذجية
يستخدم هذا النوع من المحطات على نطاق واسع في:
التحكم الصناعي: PLC، محركات المؤازرة، وحدات الإدخال والإخراج.
معدات إمداد الطاقة: واجهات الإدخال/الإخراج لإمدادات الطاقة في وضع التبديل وأجهزة UPS.
إلكترونيات السيارات: وحدة التحكم في الهيكل، واجهة المستشعر.
معدات الاتصالات: مصدر الطاقة الأساسي وتوصيل الإشارة لأجهزة التوجيه والمفاتيح.
الأجهزة المنزلية والأجهزة المختلفة والعدادات.
☑ يتكيف مع المقابس متعددة الأنواع، تصميم الجهاز مرن للغاية
☑ يمكن تلبية متطلبات المفاتيح
☑ طريقة التثبيت العالمية، مناسبة لمختلف المواقف
7.التطبيق لكتلة طرفية قابلة للتوصيل
1. وحدة تحكم الحركة 2. عداد الطاقة ثلاثي الطور 3. جهاز حماية الكمبيوتر الصغير 4. المعدات الكهربائية
5. معدات الأتمتة 6. معدات الأمن 7. معدات إنترنت الأشياء
المزايا:
اتصال موثوق به: اللحام عبر الفتحة ثابت ويمكنه تحمل بعض الضغوط الميكانيكية.
توصيل مريح: لا حاجة إلى لحام الأسلاك على لوحة الدوائر المطبوعة، مما يجعل من السهل تركيبها واختبارها وصيانتها.
منخفضة التكلفة: هيكل بسيط، وتكاليف إنتاج وتصنيع منخفضة.
عالمية قوية: 2.5 مم هي المسافة القياسية، مع توافق قوي وسهولة الشراء.
8.الحزمة ل كتلة طرفية قابلة للتوصيل
نحن نختار مواد التغليف عالية الجودة والآمنة للتأكد من أن طلبك لن يتضرر أثناء التسليم.
هذه الشروط التجارية مقبولة: EXW،FOB،CFR،CIF.
